MUSES72320 Simple前級組裝說明

 

 

 

 

回首頁

 

 

MCU控制板

 

1.    MUSES72320 Simple前級共分為MCU(顯示&控制)板、主板、SEL(信號選擇板)三個單元及全鋁遙控器(選配)構成!需自備機構(機殼及配件),最小為AC9-0VAC 15-0-15V 各一組輸出500mA的變壓器。

2.    組裝Simple前級需有一定的電子常識及焊接技術!初學者需有前輩帶領安裝或代裝!

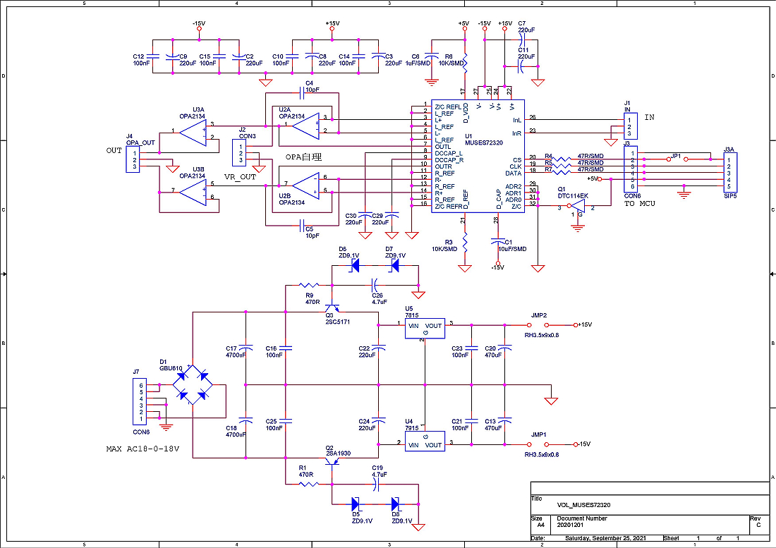
3.    MUSES72320電子音量應用詳DataSheet!其聲音走向取決於OPA!各人喜愛及應用不同!請自理。

4.    線路採用全直接交連(高階使用、無防呆、DC也會放大),訊源輸出及受源輸入Offset必須確認趨近0V!初階者或商業用途,輸入及輸出端請自行加上耦合電容!因而疏忽燒毀任何元件及器材!恕不負責。

5.    因上述原因!雙OPA輸入端必須為JFET架構!如:OPA2604OPA2134OPA2107MUSES8920MUSES01OPA627( 需用單OPA轉雙OPA板)...等等。

6.    OPA如輸入端BJT架構禁止使用!如: MUSES8820MUSES02553245584560...等等。

7.    欲組立類無源前級者,MAIN板上J2為純VR輸出,阻抗表定20KΩ,OPA不要安裝。

8.    欲組立平衡版者請選購兩套!(另有教學、私訊討論)

9.    本前級內建遙控功能,VOL_128全鋁遙控器共用、有需要可私訊選購(數量有限)。

10.  請按圖施工保證成功!進階使用者、 代購OPA、機殼AUTOCAD圖紙或代購請私訊討論!

11.  本人保有零件、軟體、硬體、線路等等一切修改權利!未盡事宜請容事後再補!

 

 

 

 

MUSES72320 DataSheet

 

 

 

注意事項:

 

請先依序 SMD、零件低到高安裝無防呆設計,注意各零件方向位置正確!以免安裝錯誤以至零件燒毀。

 

SMD  鉭質電容畫線那端為正極!

 

顯示器 LCD1及 紅外線接收器 U4 (J5外接用) 因個人準備的機殼有異請依需要安裝,固定及連接材料自理。

 

C11C12C13C14進階使用請忽略。

注意事項:

 

TO-220元件用附上的螺絲直接鎖在散熱片上無需加隔離墊片。

 

J1J5JP1R3R4Q2Q3D6進階使用請忽略。

 

 J5為外接紅外線接收器而預留

注意事項:

 

音量、信號輸入為脈衝旋轉編碼器構成連接圖示,線長為15公分請依安裝自行需要自行裁切或延長。

 

 1為共地  23為信號輸入,45為音量,如要改按鍵式,請自理四個自復式按鍵開關。

注意事項:

 

各連接線安裝如圖示。

 

為三按鍵並用,信號選擇正數過7會自動歸1,遙控器操作亦同

 

 

 

 

 

主線路板

 

注意事項:

 

焊接MUSES72320務必確認腳位!IC上有圓記號為第一腳。

 

R2Q1為數位地及類比地連接迴路!如要一般連接請安裝 R8 一個0805 0Ω電阻或短路,R2Q1就無需安裝。

 

SMD  鉭質電容畫線那端為正極!

 

J9 為進階功能使用!

 

注意事項:

 

紅圈處正負15V穩壓與主線路連接點先不要安裝,確認穩壓正確後再裝上並安裝 OPA!以免MUSES72320因電壓錯誤燒毀

 

J2為純VR輸出,阻抗表定20KΩ

 

 

 

信號選擇板

 

 

 

 

 

 

 

 

 

 

 

注意事項:全鋁遙控器 選配

 

繼電器有方向性!

 

3PIN連接線有方向性!如圖。

 

輸入組數(RCA)按個人需要安裝最多7組。

 

圖例:為四組 RCA 供外部輸入,第五組預留給內置藍芽解碼或數板使用。

 

 

選配:

 全鋁遙控器

 

 

 

 

 

按鍵配置

 

 

 

 

 

MUTE

CH2

CH4

CH+

CH-

 

 

 

 

 

預留

CH1

CH3

VOL+

VOL-

 

 

 

 

 

啟動MUTE時唯MUTE鍵或關機重開才能解除,其他按鍵、功能都將失效無法操作。

 

MUTE啟動時輸入選擇繼電器會全部跳開,方便抽拔或測試訊源時前級無需關機只需按MUTE 即可!