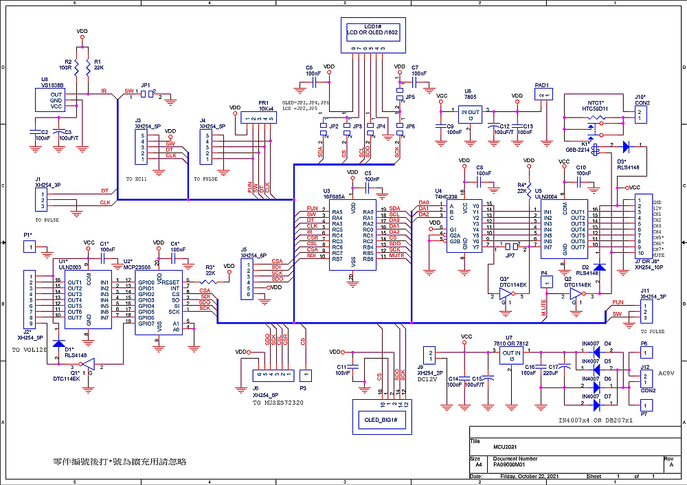
MCU2021

 

 

 

回首頁

 

線路圖

 

 

零件配置圖

零件表

 

 

 

TOP

OLED - BOTTOM

LCD - BOTTOM