RIAA  (RIAA Equalization Curve)

美國唱片業協會以此為標準的等化曲線

回首頁

 

為了減低介質產生的高頻噪音(嘶聲和哢嗒聲)及降低頻頻率切槽時需要進行的偏移,因此減小了凹槽寬度,因而能將更多的凹槽刻在唱片的表面積上,獲得更長的記錄時間,播放時減可少唱針的壓力,降低失真及凹槽損壞。通過電路以相反的頻率曲線RIAA等化曲線:藍色虛線,將加強了的高音電平、減弱的低音電平音樂訊號再刻在唱片上。

當播放時把1,000Hz以下電平逐步增益;1,000Hz以上電平漸次減弱,對應唱片上的反RIAA特性(1,000Hz以上增強,1,000Hz以下衰減),進行補償回來RIAA等化曲線:紅色線,還原出一條平直的頻率曲線。

 

 

緣起:

 

提供電腦模擬 、優化 :葉大(祥懿

 

 

 

製作:

 

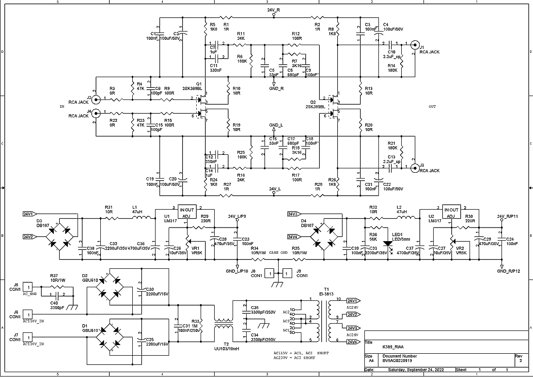
線路圖:

 

 

 

 

 

  1. 進行組裝前將所有零件數值數量確認分類。
  2. 將空PCB 放上機箱底板標定固定孔的位置,以便進行精鑽孔。(M3的螺絲)
  3. 翻到 Bottom Side 焊接輸入電壓選擇跳線:AC110V=AC1 AC2/AC230V=AC3
  4. 電子零件正確裝上電路板並確實焊接!
  5. PCB組合完確認無誤後固定至機殼內。
  6. 短接焊接起來將PCB電源輸入用芯線連接到電源座上。J5 AC_GND/J6 J7 AC_110V(例TAIWAN)。
  7. 開啟電源後調整VR1測量P9 P10調至到DC24V。調整VR2P11 P12調至到DC24V
  8. 量測R5R8R24R26靠近2SK389BL接腳那一側,電壓量測約在DC9~12V左右。確認2SK389BL工作點
  9. 訊號輸入端J2 J4 連接RCA座,輸出端J1 J3 用隔離線連接RCA
  10. 以上工序確認完無誤後,即可上機播放測試了!